辛集市乾森環保科技有限公司是一家致力于發展循環經濟的環保企業,公司地處京、津、石三市連接的三角地帶,鐵路,高速公路交織,交通十分發達便利。公司占地面積100畝,總建筑面積47000平米,總投資兩億多 元。公司主要產品有:QS-F系列污水處理一體化設備、潛水攪拌機、槳式攪拌機、框式攪拌機、周邊傳動橋式刮泥機、中心傳動垂式刮泥機、壓力過濾器、填料等、PSX系列廢鋼破碎機、大型冶金設備等。其中QS-F系列 污水處理一體化設備采用先進的生物處理工藝,工藝成熟,流程簡捷,占地少,投資省,自動化程度高,運行成本低,是目前有效的污水處理設備,被廣泛用于醫院、賓館、學校小區及村鎮居民區等的污水處理。目 前,公司現有員工300余人,各專業工程師50余人,與河北科技大學、中科院熱物理研究所等各大院校均有合作,利用專業的人才優勢、技術優勢和管理優勢,堅持自主研發和創新,推出多項具有競爭力的環保產品,積 累了豐富的工程經驗,實現了產品的多元化和體系化,保證了產品的技術優勢。
從項目信息,到投標處理、場地勘察、方案設計、安裝調試,施工監管再到24小時響應的售后服務,以超人的速度,光速服務全國。
廣東 湖北 新疆 北京 四川 甘肅 福建 廣西 云南 重慶 江西 江蘇 安徽 河北 河南 上海 寧夏 內蒙古 黑龍江
近日,石家莊發布《城市燃氣等老舊管網更新改造實施方案(2023—2025年)》,提出將利用3年時間,集中對城市建成區老舊管網進行更新改造,加強城市基礎設施系統化和智能化建設,全面提升管網安全運行水平,維護城市基礎設施安
詳情污水廢水的生物處理法。生物處理法從字面意義理解,便是憑借微生物的推陳出新來無害化轉化污水廢水的有機污染物。這種處理辦法的長處是相較于化學處理法和物理處理法來說,處理效果更加好一些,這種辦法當時使用時間尚短
詳情化工廢水是指化工廠出產產品進程中所出產的廢水,如出產乙烯、聚乙烯、橡膠、聚酯、甲醇、乙二醇、油品罐區、空分空壓站等設備的含油廢水,通過生化處理后,一般可到達國家二級排放規范,現由于水資源的缺少,需將到達排放
詳情常見基本概念厭氧:污水生物處理中,沒有溶解氧也沒有硝態氮的環境狀況。
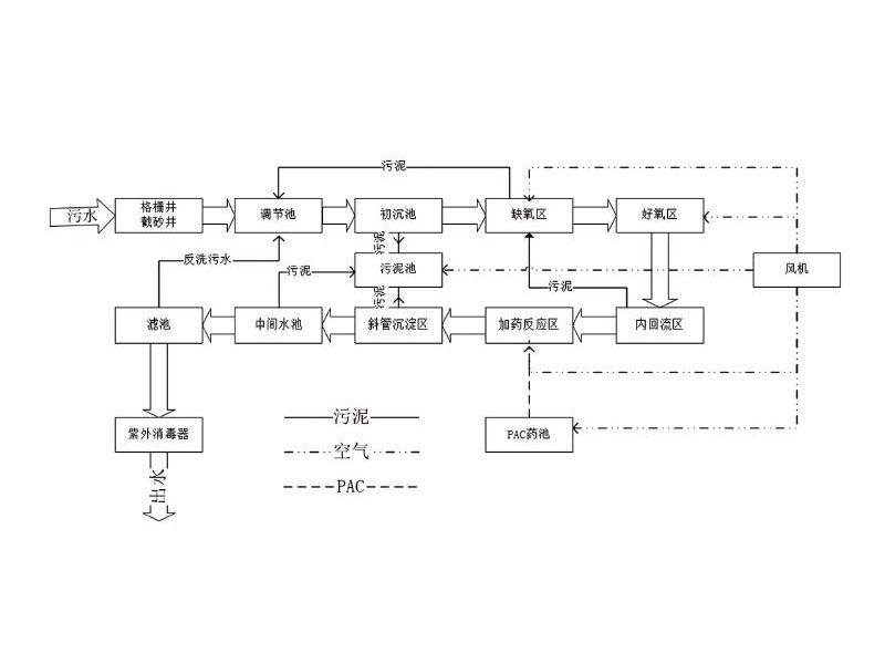
詳情?生活污水處理技術是采用國際先進的生物處理工藝,在總結國內外生活污水處理裝置的運行的基礎上,結合自已的科研成果和工程實踐,設計出的一種一體化污水處理裝置,具有技術性能穩定可靠,處理效果好
詳情????醫療污水處理設備是一款專門為醫院研發的一款處理污水的設備,該設備使用不僅有效解決了醫院污水排放的問題,同時也有效的減少了醫院污水內細菌的傳染,保證了人們以及患者的安全。醫療污水處理
詳情
與相關科研院所建立了長期互補的合作關系:
河北科技大學
中科院熱物理研究所
集團旗下公司:
河北詩奧市政工程有限公司
MORE +聯系人:陳總
電話:15032803333
郵箱:qiansenjixie@163.com?
地址:河北省辛集市位伯鎮工業區宏興路北側
Copyright ? 辛集市乾森環保科技有限公司 All Rights Reserved.
冀ICP備14023547
號-4
